Calle 109 (1º de Agosto de 1806) Nº 4945 Villa Ballester, San Martín

Simple to cartridge S 45 V / S 45 VQ

Pumps LMC series 45, are of type to vanes balanced construction, fixed displacement, internal drainage to replaceable cartridge of high performance; quieter in the series with normal lateral surfaces and more capacity of pressure and speed in series VQ.

Product available for domestic and imported manufacturing.

Data




Performance




Connect of the pump

Is recommendable connects direct coaxial and flexible between motor and pump. If an indirect control imposes radial loads and/or axial consúltenos.

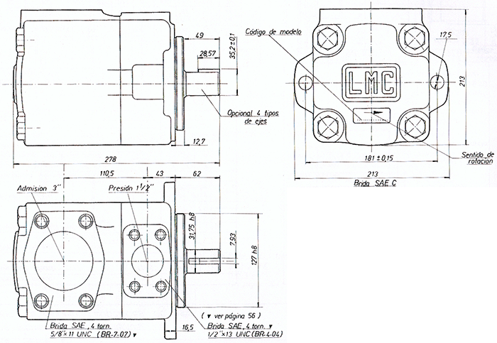
Relative position between admission and exit

If special position is required to specify it.

Installation and beginning

The installation position is indifferent. In the first putting in marha, if the pump has not been fattened must bleed the air relaxing a racor of the line of exit near the pump until the fluid flows or with a valve of air purge.


Technical data




Model code




Shaft options




Request your quote
for your industry

Call us de 8 a 17 hs

+54 11 5871 4656