Calle 109 (1º de Agosto de 1806) Nº 4945 Villa Ballester, San Martín


Request your quote

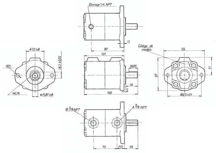
Hydraulic vane motors/fixed displacement

Motor LMC M100, is of the type to vanes of fixed, bidirectional displacement, balanced construction. The operation can be continuous or intermittent in both senses of rotation. When circuíto this provided with protection by safety valve the motor can be used for reversible cycle.

Product available for domestic and imported manufacturing.

Data



Model




Rotation

Entrance of fluid by A: right
Entrance of fluid by B: Left

Connect with the load

The load does not have to be supported by the bearings of the motor and it connects recommendable between both is direct, coaxial and the flexible one.

Drainage

The connection is external, it does not have to be restricted and it must be connected to the deposit below the inner level of the possible fluid.

Minimum speed

Normally it is 400 RPM, speeds but low they are permissible depending on the requirement of torque.

Terminal velocity

to see table.

Maxima pressure

to see table.

Torque-speed of exit

to see characteristics curves.

Torque of starting

65% (minimum) of torque to 400 RPM.


Technical data




Curve




Model code




Request your quote
for your industry

Call us de 8 a 17 hs

+54 11 5871 4656