Calle 109 (1º de Agosto de 1806) Nº 4945 Villa Ballester, San Martín

S10 Nacional

Simples S 10

Pumps LMC series 10, are of the type to vanes, construction balanced hydraulically, fixed displacement, internal drainage. They are possible to be used with several types of fluid and with speed motors it fixes or variable.

Product available for domestic and imported manufacturing.

S10 Importada

Data

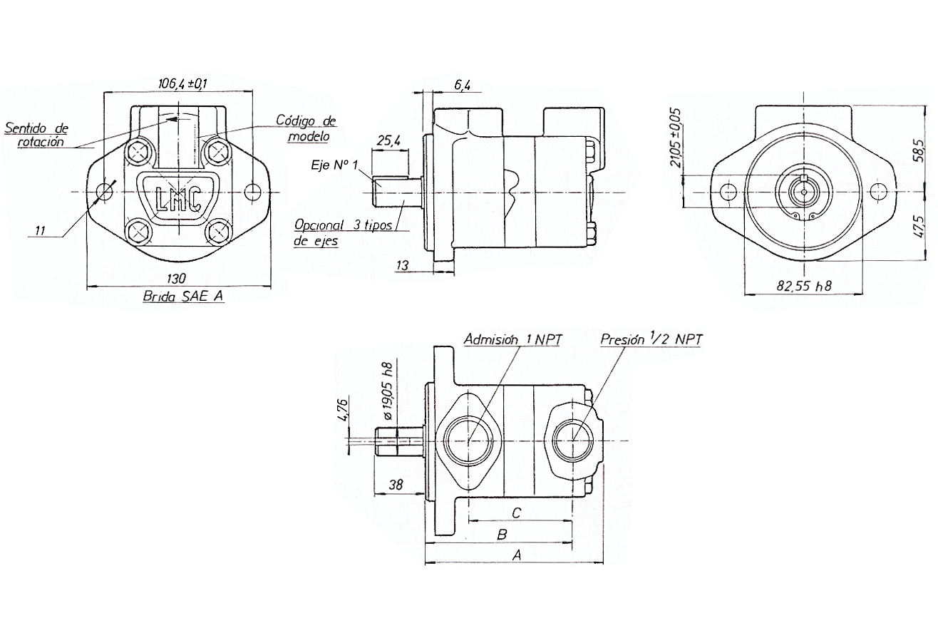
Model




Performance




Connect of the pump

Is recommendable connects direct, coaxial and flexible between motor and pump. If an indirect control imposes radial loads and/or axial consult us.

Relative position between admission and exit

If special position is required to specify it in the order.

Installation and start up the installation position is indifferent

In the first beginning, if the pump has not been fattened must bleed the air, relaxing a racor of the line of exit near the pump until the fluid flows or installing a valve of air purge. If it is required to use other consult us special fluids or additional information.


Technical data




Model code




Shaft options

Request your quote
for your industry

Call us de 8 a 17 hs

+54 11 5871 4656