Calle 109 (1º de Agosto de 1806) Nº 4945 Villa Ballester, San Martín

Doubles S 20 10

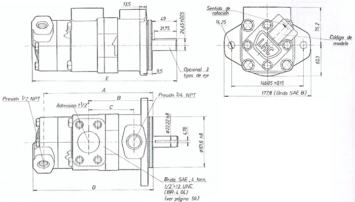
Pumps LMC series 20 10, are of the type to vanes, construction balanced hydraulically, fixed displacement, internal drainage. They are possible to be used with several types of fluid and with speed motors it fixes or variable.

Product available for domestic and imported manufacturing.

Data



Performance




Conection of the pump

It is recommendable to connect directly, coaxial and flexible between motor and pump. If an indirect control imposes radial loads and/or axial, contact us.

Relative position between admission and exit

If special position is required to specify it in the order.

Installation and beginning

The installation position is indifferent. In the first beginning, if the pump has not been fattened must bleed the air.


Technical data




Model code




Shaft options




Request your quote
for your industry

Call us de 8 a 17 hs

+54 11 5871 4656