Calle 109 (1º de Agosto de 1806) Nº 4945 Villa Ballester, San Martín

Simple to cartridge S 20 V / S 20 VQ

Pumps LMC series 20, are of the type to vanes, balanced construction, fixed displacement, internal drainage to replaceable cartridge of high performance; but quiet in the series with normal lateral surfaces and but capacity of pressure and speed in series VQ.

Product available for domestic and imported manufacturing.

Data



Performance




Connect of pump

Is recommendable connects direct coaxial and flexible between motor and pump. If an indirect control imposes radial loads and/or axial consult us.

Relative position between admission and exit

If special position is required to specify it.

Installation and beginning

The installation position is indifferent. In the first beginning, if the pump has not been fattened must bleed the air relaxing a racor of the line of exit near the pump until the fluid flows or with a valve of air purge.


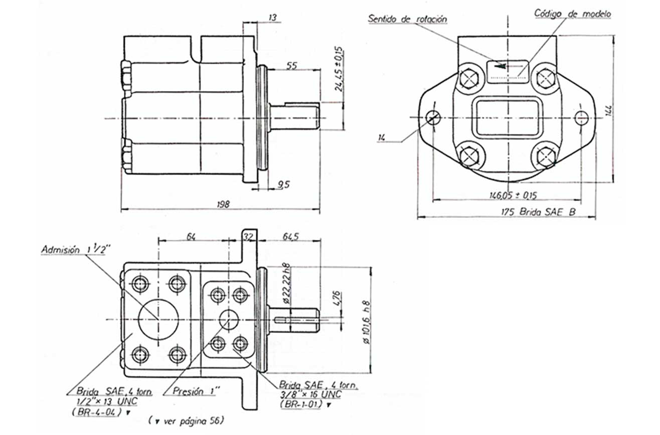
Technical data




Model code




Request your quote
for your industry

Call us de 8 a 17 hs

+54 11 5871 4656