Calle 109 (1º de Agosto de 1806) Nº 4945 Villa Ballester, San Martín

Simple to cartridge S 25 V / S 25 VQ

Pumps LMC series 25, are of type to vanes balanced construction, fixed displacement, internal drainage to replaceable cartridge of high performance; but quiet in the series with normal lateral surfaces and but capacity of pressure and speed, in series VQ.

Product available for domestic and imported manufacturing.

Data



Performance




Connect of the pump.

Is recommendable connects direct coaxial and flexible between motor and pump. If an indirect control imposes radial loads and/or axial consúltenos.

Relativa position between admission and exit

If special position is required to specify it.

Installation and beginning

The installation position is indifferent. In the first beginning, if the pump has not been fattened must bleed the air relaxing a racor of the line of exit near the pump until the fluid flows or with a valve of air purge.


Technical data




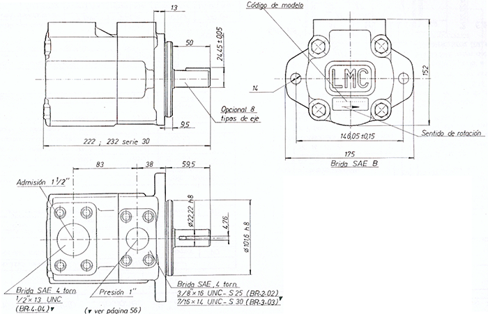
Model code




Shaft options




Solicite un presupuesto
para su industria

Call us de 8 a 17 hs

+54 11 5871 4656