Calle 109 (1º de Agosto de 1806) Nº 4945 Villa Ballester, San Martín

Dobles S 20 20 P

Pumps LMC series 20 20, are of the type to vanes, construction balanced hydraulically, fixed displacement, internal drainage. They are possible to be used with several types of fluid and with speed motors it fixes or variable.

Producto con disponibilidad de fabricación nacional e importado.

Data





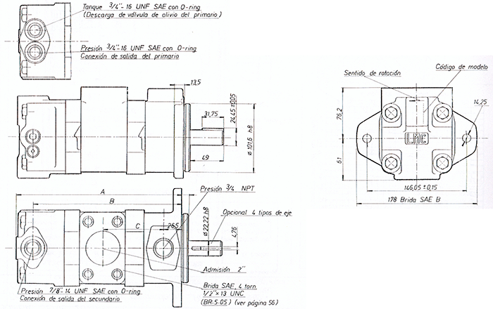
Technical data




Technical data / Model code / Performance


The technical data and model code are similar to those of the 20 20 series pump. The shaft-side pump efficiencies and the cover-side pump total efficiencies are also given by the tables corresponding to the 20 20 series pump, but the primary flow efficiencies, as a function of the total pump flow and the calibrated orifice, are given in the graph on the right.




Connect of the pump.

It is recommendable to connect directly, coaxial and flexible between motor and pump. if an indirect control imposes radial loads and/or axial, contact us.

Relative position between admission and exit.

If special position is required to specify it in the order..

Installation and beginning.

The installation position is indifferent. in the first beginning, if the pump has not been fattened must bleed the air..


Connect of a pump




Request your quote
for your industry

Call us de 8 a 17 hs

+54 11 5871 4656