Calle 109 (1º de Agosto de 1806) Nº 4945 Villa Ballester, San Martín



Solicite o seu orçamento

Ligue para nós de 8 a 17 hs

+54 11 5871 4656 info@metalurgicalmc.com
S20 Nacional

Simples S 20

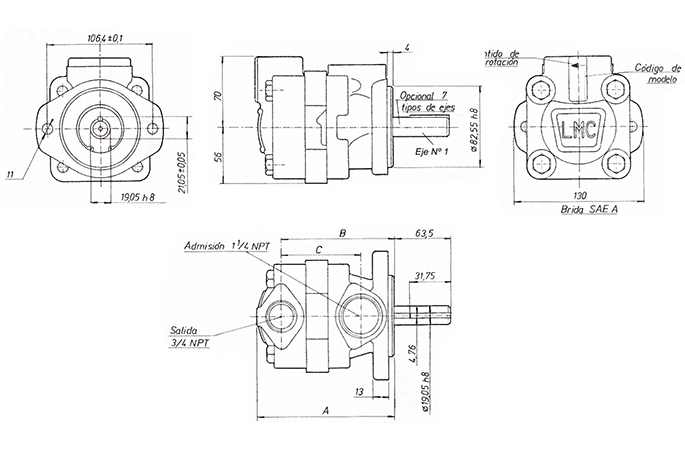
As bombas LMC serie 20 P, são do tipo a palheta, construção balanceada hidráulicametne, deslocamento fixo, drenajem interno. Pode utilizar-se com diferentes tipos de fluídos e com motores de velocidade fixa o variável.

Produto disponível para fabrico nacional e importado.

S20 Importada

Dados

Modelo




Rendimento




Acople da bomba

É recomendável um acomple direto, coaxial e flexível entre o motor e a bomba. Si um mando indereto precisar cargas radiales e/o axiais consulte-nos.

Posição relativa entre admissão e saída

Se requerê-se posição especial especificá-la no pedido.

Instalação e posta em marcha

A posição da instalação é indiferente. Na primeira posta em marcha, se a bomba não tiver cevado, deveria purgar-se o ar, enfraquesendo o purgador (racor) da linha de saída perto da bomba, até o fluído fluir o instalando uma válvula de purga de ar. Se requerê-se utilizar outros fluídos especiais ou precisa imformação adicional consulté-nos.


Dados Técnicos




Código do Modelo




Eixo opções

Solicite um orçamento
para a sua indústria

Ligue para nós de 8 a 17 hs

+54 11 5871 4656