Calle 109 (1º de Agosto de 1806) Nº 4945 Villa Ballester, San Martín

Simples a cartucho S 20 V / S 20 VQ

As bombas LMC serie 20 , são do tipo a palheta, construção balanceada hidráulicamente, deslocamento fixo, drenajem interno, com cartucho retrocável de alto rendimento, mais silenciossa nas series com superficies laterales normais e com mais capacidade de pressão e velocidade na serie VQ.

Produto disponível para fabrico nacional e importado.

Dados



Rendimento




Acople da bomba

É recomendável um acople direto, coaxial e flexível entre o motor e a bomba. Si um mando indireto precisar cargas radiales e/o axiais consulte-nos.

Posição relativa entre admissão e saída

Se requerê-se posição especial especificá-la.

Instalação e posta em marcha

A posição da instalação é indiferente. Na primeira psta em marcha, se a bomba não tiver cevado, deveria purgar-se o ar, enfraquesendo o purgador (racor) da linha de saída perto da bomba, até o fluído fluir o instalando uma válvula de purga de ar.


Dados Técnicos




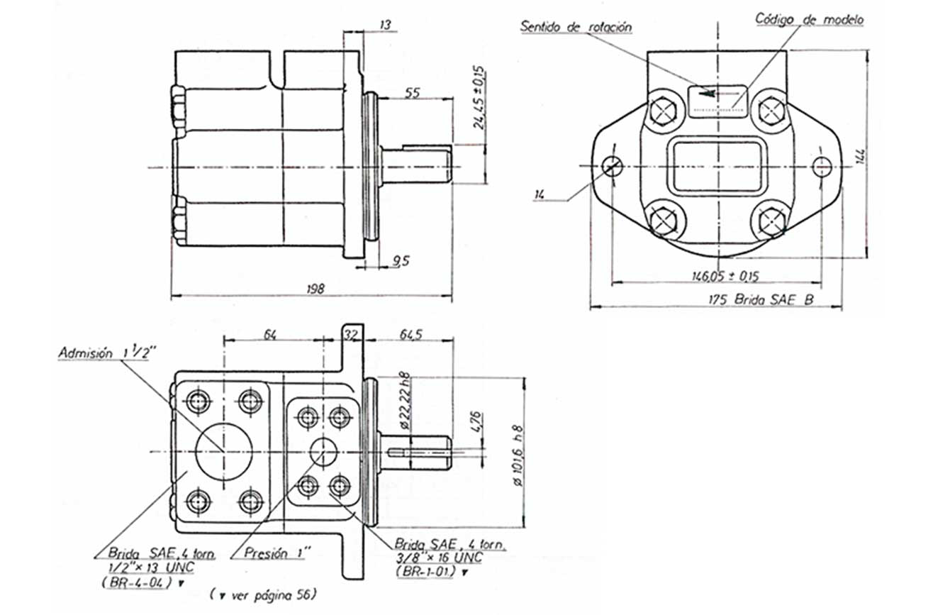
Código do Modelo




Solicite um orçamento
para a sua indústria

Ligue para nós de 8 a 17 hs

+54 11 5871 4656