Calle 109 (1º de Agosto de 1806) Nº 4945 Villa Ballester, San Martín



Solicite o seu orçamento

Ligue para nós de 8 a 17 hs

+54 11 5871 4656 info@metalurgicalmc.com
S10 Nacional

Simples S 10

As bombas LMC serie 10, são do tipo a palheta, construção balanceada hidráulicamente. Deslocamento fixo, drenajem interno. Pode usar-se com varios tipo de fluídos e com motores de velocidade fixa o variável. As bombas LMC serie 10, são do tipo a palheta, construção balanceada hidráulicamente. Deslocamento fixo, drenajem interno. Pode usar-se com varios tipo de fluídos e com motores de velocidade fixa o variável.

Produto disponível para fabrico nacional e importado.

S10 Importada

Dados

Modelo




Rendimento




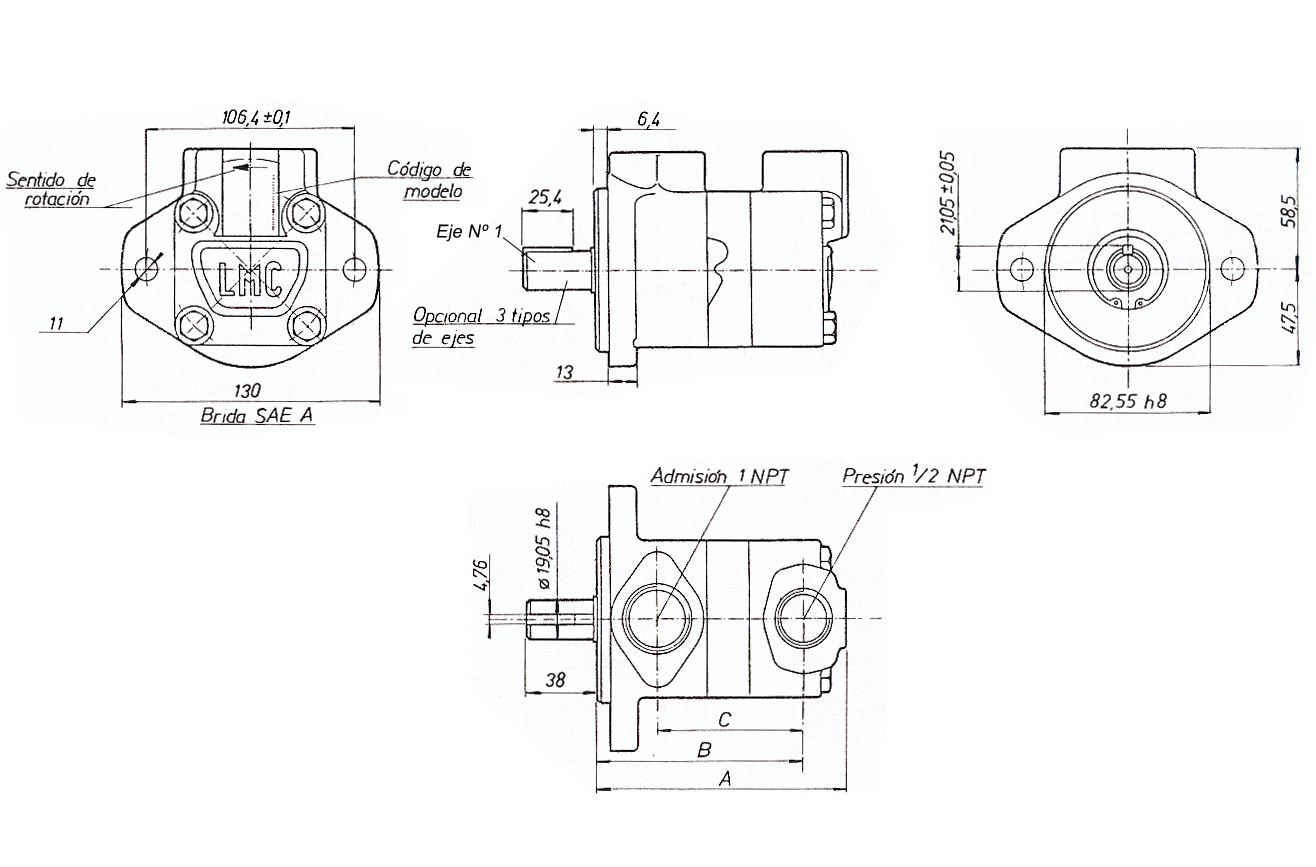
Acople da bomba

É recomendável um acople direto, coaxial e flexível entre o motor e a bomba. Se um mando indireto requiere cargas radiales e/o axiais consultá-nos.

Posição relativa entre admissão e a saída

Se requerê-se posição especial especificá-la no pedido.

nstalação e posta em marcha

A posição da instalação é indiferente. Na primeira posta em marcha, se a bomba não tiver cevado, deveria purgar-se o ar, enfraquesendo o purgador (racor) da linha de saída perto da bomba, até o fluído fluir o instalando uma válvula de purga de ar. Se requer-se utilizar outros fluídos especiais ou precisa informação adicional consulté-nos.


Dados Técnicos




Código do Modelo




ixo opções

Solicite um orçamento
para a sua indústria

Ligue para nós de 8 a 17 hs

+54 11 5871 4656