Calle 109 (1º de Agosto de 1806) Nº 4945 Villa Ballester, San Martín


Solicite o seu orçamento

Ligue para nós de 8 a 17 hs

+54 11 5871 4656 info@metalurgicalmc.com

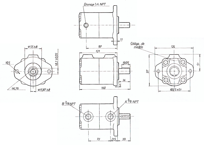
Motores hidráulico a palhetas/deslocamento fixo

O motor LMC M100, e do tipo a palhetas de deslocamento fixo, bidirecional, construção balançada. A operação pode ser contínua ou intermitente em ambos sentidos de rotação. Quando o circuíto e provisto de proteção por válvula de segurança o motor pode ser usado para ciclo reversível.

Produto disponível para fabrico nacional e importado.

Dados



Modelo




Rotação

Entrada de fluído por A: Direita
Entrada de fluído por B: Esquerda.

Acople com o ônus

O ônus não deve estar suportada pelos rodamentos do motor e o acople recomendável entre ambos é o direto, coaxial e flexível.

Drenagem

A conexão e externa, não deve ser restringida e deve estar conectada ao depósito por embaixo do nível interior do fluído possível..

Velocidade mínima

Normalmente e 400 RPM, velocidades mais baixas são permitidas dependendo do requerimento do torque.

Velocidade máxima

Ver tabela.

Pressão máxima

Ver tabela.

Torque-velocidade de saída

Ver curvas características.

Torque de arranque

65% (mínimo) do torque a 400 RPM.


Dados Técnicos




Curva




Código do Modelo




Solicite um orçamento
para a sua indústria

Ligue para nós de 8 a 17 hs

+54 11 5871 4656