Calle 109 (1º de Agosto de 1806) Nº 4945 Villa Ballester, San Martín



Solicite su presupuesto

Ligue para nós de 8 a 17 hs

+54 11 5871 4656 info@metalurgicalmc.com

Duplos S 20 20 P

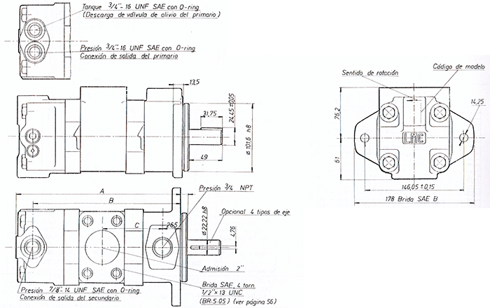
As bombas LMC serie 2020P tem caraterísticas similares à serie 2020 exceto a válvula divisora de vazão que a divide em dois, o primeiro, que fica quasi constante com as variaciones da velocidade e da pressão; em geral se utiliza em mecanismos de direção; e o secundario, sujeito a variações e utilizado em outros movimentos. O circuito de vazão primario tem uma válvula de alivio regulável.

Producto con disponibilidad de fabricación nacional e importado.

Datos





Dados técnicos




Dados técnicos / Código do modelo / Rendimentos


Os dados técnicos e o código de modelo são similares ao das bombas serie 20 20. Os rendimentos das bombas do lado do eje e os rendimentos totais das bombas do lado da tapa tambem estão nas tabelas correspondentes as bombas serie 20 20, mas os rendimentos dos caudais primarios, em função do vazão total da bomba e do orifício calibrado, estão no gráfico da direita.




Acople da bomba

É recomendável um acople direto, coaxial e flexível entre o motor e a bomba. Si um mando indireto precisar cargas radiales e/o axiais consulte-nos.

Posição relativa entre admissão e saída

Se requerê-se posição especial especificá-la.

Instalação e posta em marcha

A posição da instalação é indiferente. Na primeira posta em marcha, se a bomba não tiver cevado, deveria purgar-se o ar, enfraquesendo o purgador (racor) da linha de saída perto da bomba, até o fluído fluir o instalando uma válvula de purga de ar.


Eixo opções




Solicite um orçamento
para a sua indústria

Ligue para nós de 8 a 17 hs

+54 11 5871 4656