Calle 109 (1º de Agosto de 1806) Nº 4945 Villa Ballester, San Martín

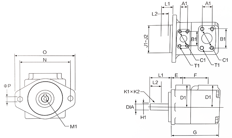
Tipo Denison T6E

Producto con disponibilidad importado.

Datos



Modelo






Solicite un presupuesto
para su industria

Llamenos de 8 a 17 hs

+54 11 5871 4656