Calle 109 (1º de Agosto de 1806) Nº 4945 Villa Ballester, San Martín

Simples a cartucho S 45 V / S 45 VQ

Las bombas LMC serie 45, son de tipo a paletas construcción balanceada, desplazamiento fijo, drenaje interno a cartucho recambiable de alto rendimiento; más silenciosas en las series con superficies laterales normales y con más capacidad de presión y velocidad en la serie VQ.

Producto con disponibilidad de fabricación nacional e importado.

Datos




Rendimiento




Acople de la bomba

Es recomendable un acople directo coaxial y flexible entre motor y bomba. Si un mando indirecto impone cargas radiales y/o axiales consúltenos.

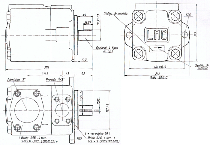
Posición relativa entre admisión y salida

Si se requiere posición especial especificarla en el pedido.

Instalación y puesta en marcha

La posición de instalación es indiferente. En la primer puesta en marcha, si la bomba no se ha cebado debe purgarse el aire, aflojando un racor de la línea de salida cerca de la bomba hasta que el fluído fluya o instalando una válvula de purga de aire. Si se requiere usar otros fluídos especiales o información adicional consúltenos.


Datos técnicos




Código de modelo




Opciones de ejes




Solicite un presupuesto
para su industria

Llamenos de 8 a 17 hs

+54 11 5871 4656