Calle 109 (1º de Agosto de 1806) Nº 4945 Villa Ballester, San Martín


Solicite su presupuesto

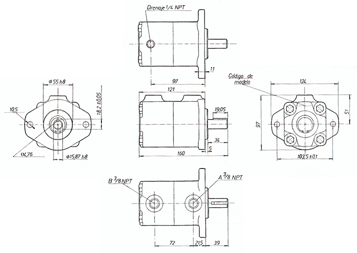
Motores hidraúlicos a paletas/Desplazamiento Fijo

El motor LMC M100, es del tipo a paletas de desplazamiento fijo, bidireccional, construcción balanceada. La operación puede ser contínua o interMitente en ambos sentidos de rotación. Cuando el circuíto esta provisto de protección por válvula de seguridad el motor puede ser usado para ciclo reversible.

Producto con disponibilidad de fabricación nacional e importado.

Datos



Modelo




Rotación

Entrada de fluído por A: Derecha
Entrada de fluído por B: Izquierda.

Acople con la carga

La carga no debe estar soportada por los rodamientos del motor y el acople recomendable entre ambos es el directo, coaxial y flexible.

Drenaje

La conexión es externa, no debe ser restringida y debe estar conectada al depósito por debajo del nivel interior del fluído posible.

Velocidad mínima

Normalmente es 400 RPM, velocidades mas bajas son permisibles dependiendo del requerimiento del torque.

Velocidad máxima

Ver tabla.

Presión máxima

Ver tabla.

Torque-Velocidad de salida

Ver curvas características.

Torque de arranque

65% (mínimo) del torque a 400 RPM.


Datos técnicos




Curva




Código de modelo




Solicite un presupuesto
para su industria

Llamenos de 8 a 17 hs

+54 11 5871 4656