Calle 109 (1º de Agosto de 1806) Nº 4945 Villa Ballester, San Martín

Deslocamento variável Simple /VP1 6,6cm3/Rev - VP1 8,3cm3/Rev - VP1 11,1cm3/Rev

Produto disponível para fabrico nacional e importado.

Dados



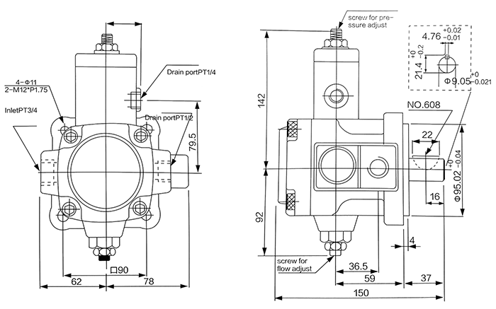
Instalacao/Regulamento de Pressao

O anel do estator é circular e é mantido na sua posição excêntrica pela mola reguladora, que regula a pressão máxima de serviço no sistema. Este último atua sobre o êmbolo interno do anel estator contra a mola reguladora e ao atingir o valor graduado no mesmo, o anel desloca-se para a sua posição central e nesse momento a bomba gera um caudal quase nulo mantendo a pressão. Isto reduz as perdas de energia e o aquecimento do fluido.


Dados Técnicos




Solicite um orçamento
para a sua indústria

Ligue para nós de 8 a 17 hs

+54 11 5871 4656