Calle 109 (1º de Agosto de 1806) Nº 4945 Villa Ballester, San Martín


Solicite o seu orçamento

Ligue para nós de 8 a 17 hs

+54 11 5871 4656 info@metalurgicalmc.com

Motores hidráulico a palhetas/deslocamento fixo

Motores hidráulico a palhetas de baixas revoluções e par elevado.

Produto disponível para fabrico nacional e importado.

Dados



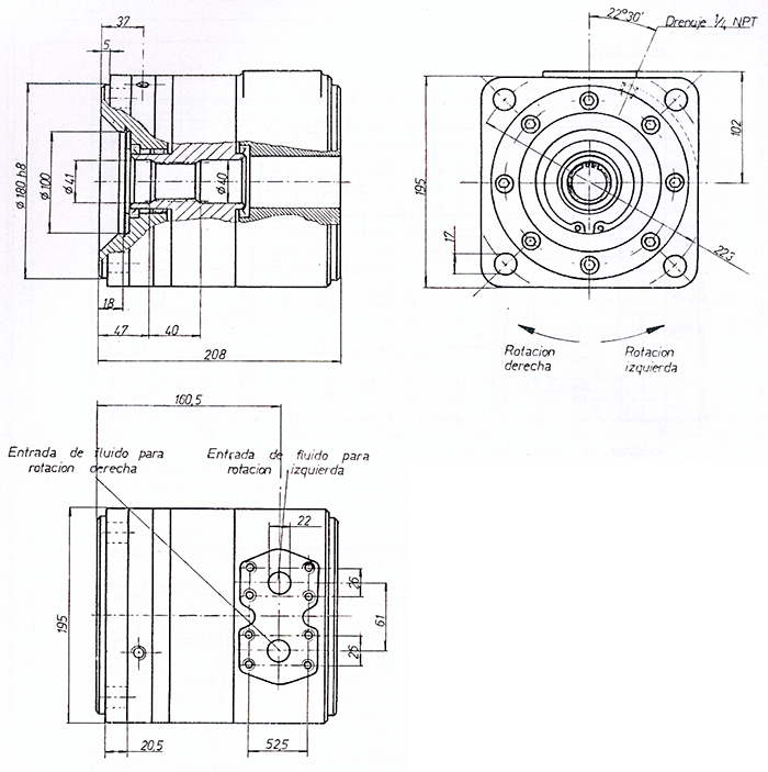
Tipo




Atençãon

Diametro de montagem = 180.25 (+ 0.2 / -0)
Excentricidade máxima entre eixo e diâmetro de montagem 0.05 m
Estriado do rotor N 40x2x18x9H DIN 5480
Estriado do eixo W 40x2x18x8t DIN 5480
Aplicar gordura ao estriado do rotor/eixo
Fixação por parafusos M16 qualidade 8.8
Torque de ajuste 21 Kgm
Máxima força radial sobre o rotor = 100 Kg
Máxima força axial sobre o rotor = 80 Kg
Entrada de fluido B: Esquerda



Curvas




Solicite um orçamento
para a sua indústria

Ligue para nós de 8 a 17 hs

+54 11 5871 4656