Calle 109 (1º de Agosto de 1806) Nº 4945 Villa Ballester, San Martín

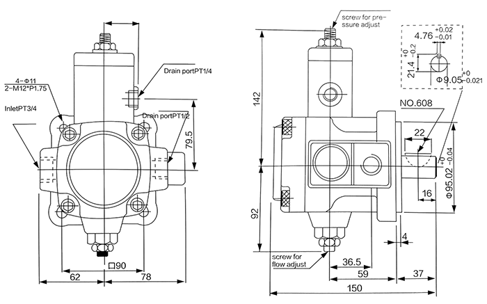
Vane Variable Simple /VP1 6,6cm3/Rev - VP1 8,3cm3/Rev - VP1 11,1cm3/Rev

Product with availability for imported manufacturing.

Data



Installation/Regulation of the pressure

The ring stator is to circulate and is mantinido in its eccentric position by the regulation means, which graduate the Maxima pressure on watch in the system. This last one acts in the inner psita of the ring stator against the means of regulation and when this reaches the value graduated in the same one, the ring moves towards its position of trim and then the pump generates a volume almost null mantenidno the pressure. This way to the losses of energy and the heating of the fluid are reduced.


Technical data




Request your quote
for your industry

Call us de 8 a 17 hs

+54 11 5871 4656