Calle 109 (1º de Agosto de 1806) Nº 4945 Villa Ballester, San Martín


Request your quote

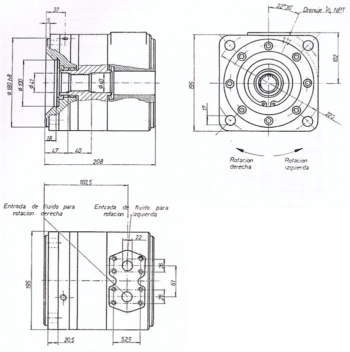
Hydraulic vane motors/fixed displacement

Hydraulic vane motors of low revolutions and high pair.

Product available for domestic and imported manufacturing.

Data



Model




Atention

Diametro of assembly = 180,25 (+ 0,2/-0)
Maxima eccentricity between axis and diameter of assembly 0,05 m
Fluted of the rotor N 40x2x18x9H DIN 5480
Fluted of the axis W 40x2x18x8t DIN 5480
To apply fat to the fluted one of rotor/eje
Fixation by M16 screws quality 8.8
Torque of adjustment 21 Kgm
Maxima force radial on the rotor = 100 kg
Maxima force axial on the rotor = 80 kg
Fluid inlet B: Left



Curves




Request your quote
for your industry

Call us de 8 a 17 hs

+54 11 5871 4656