Calle 109 (1º de Agosto de 1806) Nº 4945 Villa Ballester, San Martín



Solicite su presupuesto

Dobles S 20 20 P

Las bombas LMC serie 2020 P presentan carcaterísticas similares a la serie 2020 excepto la válvula divisora de caudal incorporada en la bomba del lado de la tapa. Dicha válvula separa el caudal en dos, el primerario, el cual permanece aproximadamente constante con las variaciones de velocidad y prsión; generalmente usado en mecanismos de dirección; y el secundario, suejto a dichas variaciones y usado para otros movimientos. El circuíto del caudal primario viene provisto de válvula de alivio incorporada regulable.

Producto con disponibilidad de fabricación nacional e importado.

Datos





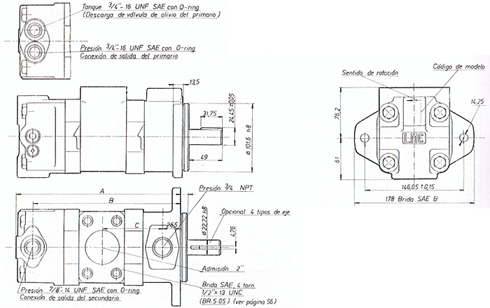
Datos técnicos




Datos técnicos / Código de modelo / Rendimiento


Los datostécnicos y el código de modelo son similares a los de la bomba serie 20 20. Los rendimientos de la bomba del lado del eje y los rendimientos totales de la bomba del lado de la tapa tembien estan dados por las tablas correspondientes a la bomba serie 20 20, pero los rendimientos del caudal primario, en función del caudal total de la bomba y del orificio calibrado, estan dados en el gráfico de la derecha.




Acople de la bomba

Es recomendable un acople directo coaxial y flexible entre motor y bomba. Si un mando indirecto impone cargas radiales y/o axiales consúltenos.

Posición relativa entre admisión y salida

Si se requiere posición especial especificarla en el pedido.

Instalación y puesta en marcha

La posición de instalación es indiferente. En la primer puesta en marcha, si la bomba no se ha cebado debe purgarse el aire, aflojando un racor de la línea de salida cerca de la bomba hasta que el fluído fluya o instalando una válvula de purga de aire. Si se requiere usar otros fluídos especiales o información adicional consúltenos.


Opciones de eje




Solicite un presupuesto
para su industria

Llamenos de 8 a 17 hs

+54 11 5871 4656