Calle 109 (1º de Agosto de 1806) Nº 4945 Villa Ballester, San Martín



Solicite su presupuesto

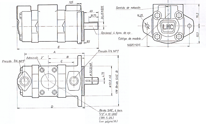
Dobles S 20 20

Las bombas LMC serie 20 20, son del tipo a paletas, construcción balanceada hidráulicamente, desplazamiento fijo, drenaje interno. Se pueden usar con varios tipos de fluídos y con motores de velocidad fija o variable.

Producto con disponibilidad de fabricación nacional e importado.

Datos



Datos técnicos




Rendimiento




Acople de la bomba

Es recomendable un acople directo coaxial y flexible entre motor y bomba. Si un mando indirecto impone cargas radiales y/o axiales consúltenos.

Posición relativa entre admisión y salida

Si se requiere posición especial especificarla en el pedido.

Instalación y puesta en marcha

La posición de instalación es indiferente. En la primer puesta en marcha, si la bomba no se ha cebado debe purgarse el aire, aflojando un racor de la línea de salida cerca de la bomba hasta que el fluído fluya o instalando una válvula de purga de aire. Si se requiere usar otros fluídos especiales o información adicional consúltenos.


Código de modelo




Opciones de eje




Solicite un presupuesto
para su industria

Llamenos de 8 a 17 hs

+54 11 5871 4656