Calle 109 (1º de Agosto de 1806) Nº 4945 Villa Ballester, San Martín


Solicite su presupuesto

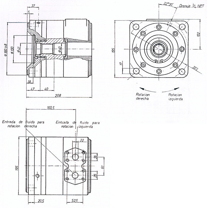
Motores hidraúlicos a paletas/Desplazamiento Fijo

Motores hidráulicos a paletas de bajas revoluciones y par elevado.

Producto con disponibilidad de fabricación nacional e importado.

Datos



Tipo




Atención

Diametro de montaje = 180.25 (+ 0.2 / -0)
Excentricidad máxima entre eje y diámetro de montaje 0.05 m
Estriado del rotor N 40x2x18x9H DIN 5480
Estriado del eje W 40x2x18x8t DIN 5480
Aplicar grasa al estriado del rotor/eje.
Fijación por tornillos M16 calidad 8.8
Torque de ajuste 21 Kgm
Máxima fuerza radial sobre el rotor = 100 Kg
Máxima fuerza axial sobre el rotor = 80 Kg
Entrada de fluído por B: Izquierda.



Curvas




Solicite un presupuesto
para su industria

Llamenos de 8 a 17 hs

+54 11 5871 4656